
Büyük Delikli Kısa Gövde Açık Merkez Hidrolik Torna İşmili Silindiri
Büyük Delikli Kısa Gövde Açık Merkez Hidrolik Torna İşmili Silindiri
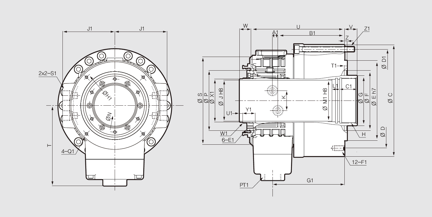
Ürün Kodu: SD
| SD | Büyük Delikli Kısa Gövde Açık Merkez Hidrolik Torna İşmili Silindiri | |||||||||
| SD-13546 | SD-15452 | SD-17568 | SD-18577 | SD-18582 | SD-21510 | SD-25411 | SD-30516 | |||
| İç Çap | [mm] | 46 | 52 | 68 | 77 | 82 | 103 | 117.5 | 166.5 | |
| Piston Çapı | [mm] | 132 | 156 | 170 | 185 | 185 | 215 | 250 | 305 | |
| Piston Stroğu | [mm] | 25 | 25 | 29 | 29 | 30 | 35 | 50 | 51 | |
| Piston Gücü (İtme) | [kN(kgf)] | 47(4800) | 67(6800) | 75(7656) | 89(9000) | 85(8700) | 105(10700) | 138(14100) | 152(15483) | |
| Piston Gücü (Çekme) | [kN(kgf)] | 44(4500) | 63(6400) | 70(7050) | 82(8300) | 79(8100) | 101(10300) | 126(12900) | 138(14060) | |
| En Büyük Çalışma Basıncı | [Mpa(kgf/cm2)] | 4.5(45bar) | 4.5(45bar) | 4.5(45bar) | 4.5(45bar) | 4.5(45bar) | 4.5(45bar) | 4.0(40bar) | 3.3(33bar) | |
| En Büyük Devir | [dk¯1] | 7000 | 6200 | 5600 | 5000 | 4800 | 3500 | 3000 | 2000 | |
| Eylemsizlik Momenti | [N.m2(kg.m2)] | 0.021 | 0.045 | 0.07 | 0.097 | 0.11 | 0.188 | 0.50 | 1.45 | |
| Ağırlık | [kg] | 10 | 14 | 18 | 23 | 26 | 37 | 54 | 90 | |
| Toplam Sızıntı | [ℓ/ dk] | 2.5 | 3 | 3.2 | 3.5 | 3.5 | 4.5 | 6 | 8.4 | |

